BQ79758-Q1 - Functional Safety-Compliant Automotive 18S Battery Monitor With Current Sense
TEXAS INSTRUMENTS
Description
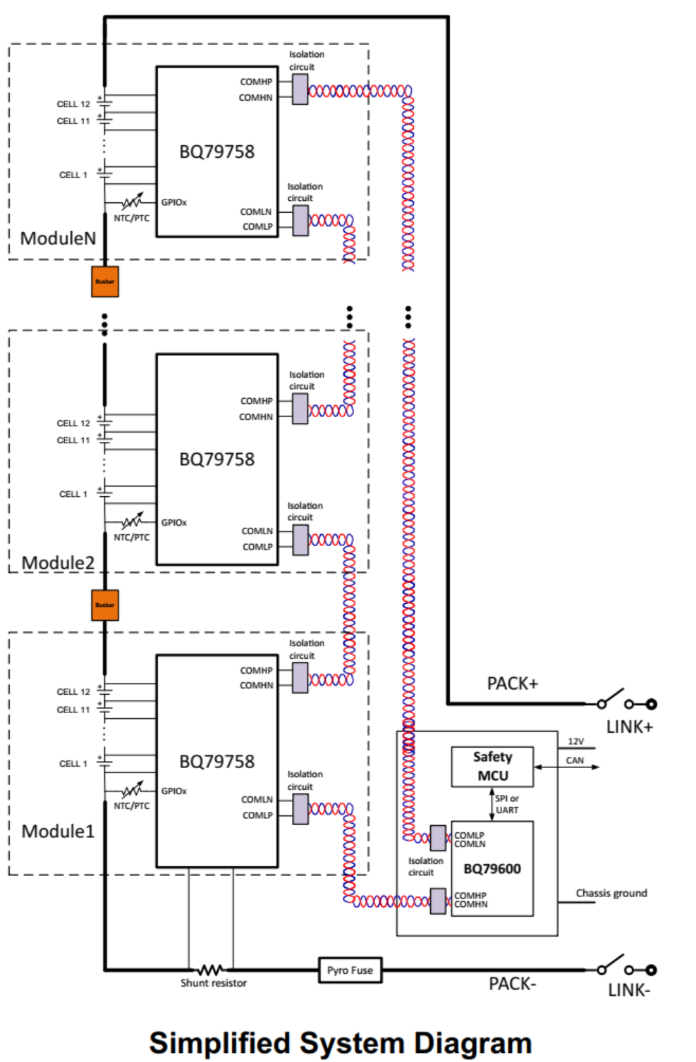
The BQ79758-Q1 provides high-accuracy cell voltage measurements for up to 18S battery modules in high-voltage battery management systems in xEV/EV. The monitor offers different channel options in the same package type, providing pin-to-pin compatibility and supporting high reuse of the established software and hardware across any platform. This device has a state-of-the-art ADC architecture/measurement system meeting stringent automotive standard and safety requirements. With the daisy-chain isolated by transformer (or capacitor), the device is suitable for centralized or distributed architectures in xEV powertrain.
BQ79758-Q1은 xEV/EV의 고전압 배터리 관리 시스템에서 최대 18S 배터리 모듈에 대한 고정밀 셀 전압 측정을 제공합니다. 이 모니터는 동일한 패키지 유형에서 다양한 채널 옵션을 제공하여 핀 간 호환성을 제공하고 모든 플랫폼에서 기존 소프트웨어 및 하드웨어의 높은 재사용성을 지원합니다. 이 장치는 엄격한 자동차 표준 및 안전 요건을 충족하는 최첨단 ADC 아키텍처/측정 시스템을 갖추고 있습니다. 변압기(또는 커패시터)로 절연된 데이지 체인 방식을 채택하여 xEV 파워트레인의 중앙 집중형 또는 분산형 아키텍처에 적합합니다.
established : 1.설립된2.정해진3.자리를 잡은4.정착된5.기성의
Features
• AEC-Q100 qualified with the following results:
– Device temperature grade 1: –40°C to +125°C ambient operating temperature range
• Functional Safety-Compliant
– Documentation to aid ISO 26262 system design
– Systematic capability up to ASIL D
– Hardware capability up to ASIL D
• Measure 9 to 18 batteries in series per device, stackable up to 64 devices
• Dedicated ADC with typical ±1mV accuracy
• Two independent Current Sense ADCs with ±0.1% gain error drift and input range +/-275mV.
• Programmable Over Current Detection comparators
• Support limp home mode with full redundancy
• Integrated post-ADC configurable digital low-pass filters
• Supports busbar without affecting measurement accuracy
• 10 GPIOs for temp sensor/analog/digital/I2C controller/SPI controller
• Internal cell balancing
– Balancing at 300mA
– User controlled PWM adjustment cell balancing current
– Built-in balancing thermal management with automatic pause and resume control
• Robust daisy chain communication and support Ring Architecture
• Hardware reset by host simulates POR-like event without battery removal
• On chip memory for one time custom programming
• Low power mode current <6μA
• Compatible with BQ79600-Q1 with SPI/UART interface


.
.
예수께서 즉시 이르시되 안심하라 나니 두려워하지 말라
갓피아
갓피아는 하나님과 교회를 섬기는 기독교 전문사이트 입니다.
www.godpia.com
'부품 Datasheet 번역 > 부품 Datasheet 번역' 카테고리의 다른 글
| AMC1350 - Precision, ±5-V Input, Reinforced Isolated Amplifier (0) | 2025.09.23 |
|---|---|
| AD7788ARMZ - Low Power, 16-/24-Bit, Sigma-Delta ADCs (0) | 2025.09.10 |
| PSMNR90-80ASE - N-channel, 80 V, 0.9 mOhm, MOSFET with enhanced SOA in CCPAK1212 package (0) | 2025.04.16 |
| MCP3901 - Two-Channel Analog Front End (0) | 2025.02.12 |
| MCP16331 - High-Voltage Input Integrated Switch Step-Down Regulator (0) | 2024.12.30 |