MAX13487E/MAX13488E - Half-Duplex RS-485-/RS-422-Compatible Transceiver with AutoDirection Control
MAXIM INTEGRATED
Description
MAX13487E/MAX13488E +5V, 반이중, ±15kV ESD 보호 RS-485/RS-422 호환 트랜시버는 드라이버 하나와 수신기 하나를 갖추고 있습니다. MAX13487E/MAX13488E에는 전원 켜기 또는 라이브 삽입 시 버스에서 잘못된 전환을 제거하는 핫스왑 기능이 포함되어 있습니다.
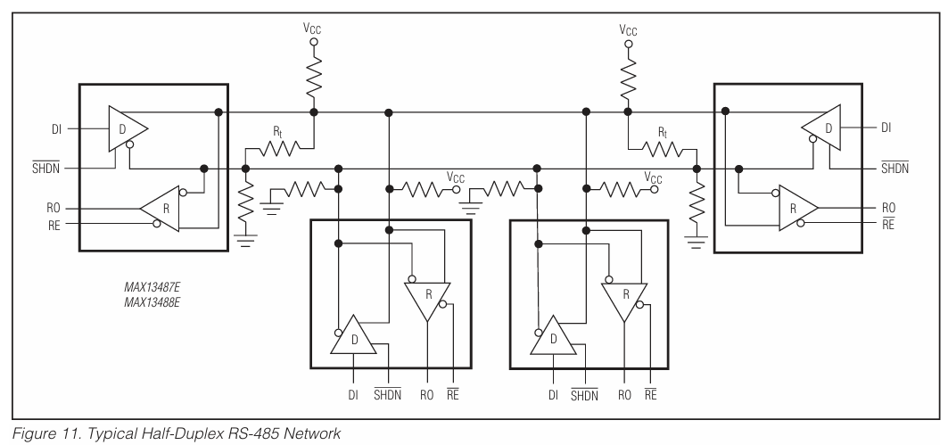
MAX13487E/MAX13488E에는 Maxim의 독점적인 AutoDirection 제어가 있습니다. 이 아키텍처는 드라이버 입력이 드라이버 활성화 신호와 함께 사용되어 차동 버스를 구동하는 분리된 RS-485 포트와 같은 애플리케이션에 이상적입니다. MAX13487E에는 EMI를 최소화하고 부적절하게 종단된 케이블로 인한 반사를 줄이는 감소된 슬루율 드라이버가 있어 최대 500kbps의 오류 없는 전송이 가능합니다. MAX13488E 드라이버 슬루율은 제한되지 않아 최대 16Mbps의 전송 속도를 허용합니다.
MAX13487E/MAX13488E는 1/4-유닛 부하 수신기 입력 임피던스를 특징으로 하며, 버스에 최대 128개의 트랜시버를 허용합니다. 이 장치는 하프 듀플렉스 통신을 위해 설계되었습니다. 모든 드라이버 출력은 인체 모델을 사용하여 ±15kV ESD로 보호됩니다. MAX13487E/MAX13488E는 8핀 SO 패키지로 제공됩니다. 이 장치는 확장된 -40°C ~ +85°C 온도 범위에서 작동합니다.
Benefits and Features
• AutoDirection Saves Space and BOM Cost
• AutoDirection Enables Driver Automatically on Transmission, Eliminating an Opto or Other Discrete Means of Isolation
• 8-Pin SO Package
• Robust Protection Features for Telecom, Industrial, and Isolated Applications
• Hot-Swap Capability to Eliminate False Transitions on the Bus During Power-Up or Live Insertion
• Extended ESD Protection for RS-485 I/O Pins (±15kV Human Body Model)
• Options Optimize Designs for Speed or Errorless Data Transmission
• Enhanced Slew-Rate Limiting Facilitates ErrorFree Data Transmission (MAX13487E)
• High-Speed Version (MAX13488E) Allows for Transmission Speeds Up to 16Mbps
• 1/4-Unit Load, Allowing Up to 128 Transceivers on the Bus




.
.
예수께서 여자에게 이르시되
네 믿음이 너를 구원하였으니
평안히 가라 하시니라
GODpia 성경
GODpia 성경, 갓피아 성경
bible.godpia.com
'부품 Datasheet 번역 > 부품 Datasheet 번역' 카테고리의 다른 글
| MCP1722 - High Voltage Dual Output LDO (0) | 2024.10.14 |
|---|---|
| TLV272 - Operational Amplifier, Rail-to-Rail Output, 3 MHz BW (0) | 2024.10.11 |
| SPC18P8LM4H-1 - MULTIMODE DIGITAL BOTTOM PORT SISONIC™ MICROPHONE (0) | 2024.10.07 |
| VN5160S-E -Single channel high side driver for automotive applications (1) | 2024.10.02 |
| MCP73837 - Advanced Stand-Alone Linear Li-Ion/Li-Polymer Charge Management Contr (0) | 2024.09.28 |