반응형
MCP1754 - 16V, High PSRR, 150mA LDO, Vout=5.0V
MICROCHIP
Summary
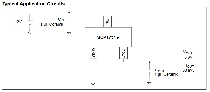
MCP1754/MCP1754S는 단락 전류 폴드 백 기능이 있는 16 볼트, 높은 PSRR 전압 레귤레이터입니다. MCP1754/MCP1754S 레귤레이터는 최대 150mA의 전류를 공급합니다. 입력 작동 전압 범위는 3.6V ~ 16V 연속, 18V 절대 최대 값으로 지정되어 자동차 및 상업용 12VDC 시스템에 이상적입니다. MCP1754/MCP1754S는 일반적으로 1kHz에서 72dB의 리플 제거를 제공하여 GFCI 및 AFCI 회로 차단기 설계와 같은 AC 민감한 애플리케이션에서 성능이 우수합니다. 전류 폴드 백 기능은 진정한 단락 전류 폴드 백입니다. 단락 조건에서 장치 전류는 점차 30mA로 떨어집니다. 단락이 제거되면 장치가 복구되고 계속 작동합니다.
Additional Features
- High PSRR: 72 dB @1 kHz Typical
- Low 56.0 µA Typical Quiescent Current
- Wide Input Operating Voltage Range: 3.6V to 16.0V
- 150 mA Output Current for All Output Voltages
- Low Drop Out Voltage, 300 mV Typical at 150 mA
- 0.4% Typical Output Voltage Regulation
- Standard Output Voltage Options (1.8V, 2.5V, 3.0V, 3.3V, 5.0V), Additional Options Available on Request
- Output Voltage Tolerances of ±2.0% Over Entire Temperature Range
- Stable with Minimum 1.0 µF Output Capacitance
- Power Good Output
- Shutdown Input
- True Current Foldback Protection
- Short-Circuit Protection
- Overtemperature Protection
ESD protection (>4kV HBM)


반응형
'부품 Datasheet 번역 > 부품 Datasheet 번역' 카테고리의 다른 글
| MCP1804 - 28V, 150mA LDO With Shutdown (0) | 2019.08.13 |
|---|---|
| MCP1801 - High PSRR 150 mA LDO, Vin 10V max, Vout =0.9V (0) | 2019.08.12 |
| MCP1711 - 150 mA Ultra-Low Iq, Capless LDO Regulator (0) | 2019.08.07 |
| MAQ5283 - High Performance Linear Regulator, AEC-Q100 (0) | 2019.08.06 |
| TC1188 - MAX8863/64 120mA Linear Regulator (0) | 2019.08.05 |