VS1003 - MP3/WMA AUDIO CODEC
VLSI Solution
Description
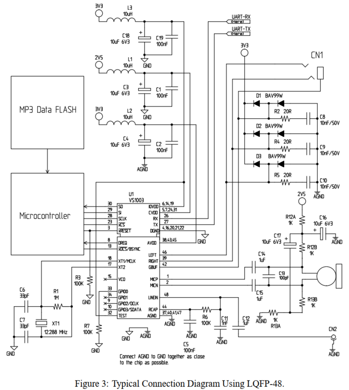
VS1003은 단일 칩 MP3/WMA/MIDI 오디오 디코더 및 ADPCM 인코더입니다. 여기에는 고성능, 독점적인 저전력 DSP 프로세서 코어 VS DSP4, 작업 데이터 메모리, 사용자 애플리케이션을 위한 5KiB 명령 RAM 및 0.5KiB 데이터 RAM, 직렬 제어 및 입력 데이터 인터페이스, 4개의 범용 I/O 핀, UART, 고품질 가변 샘플링 속도 모노 ADC 및 스테레오 DAC, 이어 이어폰 증폭기 및 접지 버퍼가 있습니다.
VS1003은 직렬 입력 버스를 통해 입력 비트스트림을 수신하며, 이를 시스템 슬레이브로 수신합니다. 입력 스트림은 디코딩되어 디지털 볼륨 컨트롤을 통해 18비트 오버샘플링, 멀티 비트, 시그마-델타 DAC로 전달됩니다. 디코딩은 직렬 제어 버스를 통해 제어됩니다. 기본 디코딩 외에도 DSP 효과와 같은 애플리케이션별 기능을 사용자 RAM 메모리에 추가하는 것이 가능합니다.
Features
- Decodes MPEG 1 & 2 audio layer III (CBR +VBR +ABR); WMA 4.0/4.1/7/8/9 all profiles (5-384kbps); WAV (PCM + IMA ADPCM); General MIDI / SP-MIDI files
- Encodes IMA ADPCM from microphone or line input
- Streaming support for MP3 and WAV
- Bass and treble controls
- Operates with a single clock 12..13 MHz.
- Internal PLL clock multiplier
- Low-power operation
- High-quality on-chip stereo DAC with no phase error between channels
- Stereo earphone driver capable of driving a 30Ω load
- Separate operating voltages for analog, digital and I/O
- 5.5 KiB On-chip RAM for user code / data
- Serial control and data interfaces
- Can be used as a slave co-processor
- SPI flash boot for special applications
- UART for debugging purposes
- New functions may be added with software and 4 GPIO pins


.
.
이 때부터 예수께서 비로소 전파하여 이르시되
회개하라 천국이 가까이 왔느니라 하시더라
GODpia 성경
GODpia 성경, 갓피아 성경
bible.godpia.com