ADBMS6815 - Multicell Battery Monitor
Analog Devices
Genaeral Description
ADBMS6815는 1.5mV 미만의 수명 총 측정 오차(TME)로 최대 12개의 직렬 연결된 배터리 셀을 측정하는 다중 셀 배터리 스택 모니터입니다. 0V ~ 5V의 셀 측정 범위로 인해 ADBMS6815는 대부분의 배터리 화학 물질에 적합합니다. 12개 셀 모두 304 µs로 측정할 수 있으며 높은 노이즈 감소를 위해 더 낮은 데이터 수집 속도를 선택할 수 있습니다.
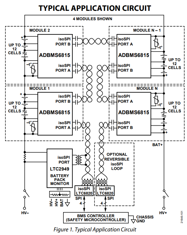
여러 ADBMS6815 장치를 직렬로 연결하여 긴 고전압 배터리 스트링을 동시에 셀 모니터링할 수 있습니다.
각 ADBMS6815에는 고속, RF 면역, 장거리 통신을 위한 isoSPI™ 인터페이스가 있습니다.
여러 장치가 모든 장치에 대해 하나의 호스트 프로세서 연결을 사용하여 데이지 체인으로 연결됩니다. 이 데이지 체인은 양방향으로 작동할 수 있어 통신 경로에 장애가 발생한 경우에도 통신 무결성을 보장합니다.
ADBMS6815는 배터리 스택 또는 절연 전원에서 직접 전원을 공급받을 수 있습니다. ADBMS6815는 각 셀에 대한 개별 PWM(펄스 폭 변조) 듀티 사이클 제어와 함께 각 셀에 대한 수동 밸런싱을 포함합니다. 다른 기능으로는 온보드 5V 레귤레이터, 7개의 GPIO(범용 입/출력) 라인, 전류 소비가 5.5µA로 감소되는 절전 상태가 있습니다.
ADBMS6815WFS 모델은 ASIL D(Automotive Safety Integrity Level Capability D)에 대한 ISO 26262 애플리케이션에서 사용하도록 설계되었습니다.
Features and Benefits
- Measures up to 12 battery cells in series
- Maximum lifetime total measurement error: 1.5 mV
- Stackable architecture for high voltage battery packs
- Built-in isoSPI interface
- 2 Mb isolated serial communications
- Uses a single twisted pair, up to 20 meters
- Low EMI susceptibility and emissions
- Bidirectional for broken wire protection
- Capacitor or transformer coupled - ADBMS6815WFS models designed for use in ISO 26262 applications for Automotive Safety Integrity Level Capability D (ASIL D)
- Hot plug tolerant without external protection
- Diagnostics for IC and application circuit failure modes
- 304 μs to measure all cells in a system
- 16-bit ADC with programmable noise filter
- Passive cell balancing up to 300 mA per channel with programmable PWM
- 7 GPIO or analog inputs
- Temperature or other sensor inputs
- Configurable as an I2C or SPI master - Sleep state supply current: 5.5 μA
- 48-lead LQFP package with exposed pad
- AEC-Q100 qualified for automotive applications

'부품 Datasheet 번역 > 부품 Datasheet 번역' 카테고리의 다른 글
| LM5007 - 9-75V Wide Vin, 500mA Constant On-Time Non-Synchronous Buck Regulator (0) | 2021.09.27 |
|---|---|
| NCV7344 - CAN FD Transceiver, High Speed, Low Power (0) | 2021.09.23 |
| MCP1810 - 20nA Quiescent Current LDO (0) | 2021.06.17 |
| MAX13035E - 6-Channel High-Speed Logic-Level Translators (0) | 2021.04.13 |
| PM8805 - IEEE 802.3bt PoE-PD interface with embedded dual active bridge (0) | 2021.02.09 |